Հայ
|
Մոդելի համարը |
SG - DTM06U (C, M) 2 - x |
SG - DTM06U (C, M) 2 - TX |
SG - DTM03U (C, M) 2 - x |
SG - DTM03U (C, M) 2 - TX |
SG - DTM02U (C) 2 - x |
SG - DTM02U (գ) 2 - TX |
|
Mal երմային մոդուլ |
||||||
|
Պատկերի ցուցիչ |
Uncoolfed Vox Microbolometer |
|||||
|
Pixel ընդմիջում |
12 մմ |
|||||
|
Արձագանքման ալիք |
8 մ-ից 14μm |
|||||
|
Մաքս. Բանաձեվ |
640 × 512 |
384 × 228 |
256 × 192 |
|||
|
Շրջանակի փոխարժեքը (FPS) |
50 |
25 |
50 |
25 |
50 |
25 |
|
Ոսպնյակներ (կիզակետային երկարություն) |
9.1 / 13/19/25 մմ |
9.1 / 13 մմ |
4/7/10 մմ |
|||
|
F համարը |
F1.0 / F1.0 / F1.1 / F1.2 |
F1.0 |
F1.0 |
|||
|
Տեսադաշտ (H v) |
45.9 ° × 36.9 ° / 32.9 ° × 26.6 ° / 22.6 ° × 18.2 ° / 17.3 ° × 13.8 ° |
28.7 ° × 21.7 ° / 20.1 ° × 15.1 ° |
46.8 ° × 34.1 ° / 24.6 ° × 18.5 ° / 16.9 ° × 12.8 ° |
|||
|
Temp չափումը |
N / a |
Աջակցություն |
N / a |
Աջակցություն |
N / a |
Աջակցություն |
|
Temperature երմաստիճանի չափում |
||||||
|
Temperature երմաստիճանի միջակայքը |
LT ռեժիմ: - 20 ° C ~ + 150 ° C; HT ռեժիմ, 0 ° C ~ + 550 ° C |
|||||
|
Չափման սխալ |
Max (± 2 ° C, ± 2%); Գործող գայթակղություն. - 20 ° C ~ + 50 ° C |
|||||
|
Պատկերի ցուցադրում |
||||||
|
Պատկերի ճշգրտում |
Պայծառություն, հակադրություն, կտրուկություն |
|||||
|
Մանրամասների կատարելագործում |
Աջակցություն |
|||||
|
Շահ |
Ավտոմատ / ձեռնարկ |
|||||
|
Աղմուկի իջեցում |
2D / 3D |
|||||
|
Մատով խփել |
Աջակցություն |
|||||
|
Հայելի |
Աջակցություն |
|||||
|
Կեղծ - գույնը |
Գույնի կարգավորելի 18 պալիտրա |
|||||
|
Խաչքար |
Display ուցադրել / անհետանալ / թաքցնել |
|||||
|
Պատկերի մշակում |
Միջուկային շտկում, թվային աղմուկ ֆիլտր, DDE |
|||||
|
Տեսանյութ |
||||||
|
Տեսանյութի արտադրանք |
UVC / BT.656 / MIPI / LVDS / CVBS |
UVC / CVBS |
||||
|
Ընդարձակման միջերես |
USB / MIPI / CVBS / TYPE - C |
USB / CVBS / TYPE - C |
||||
|
Սերիական հաղորդակցություն |
UART սերիական նավահանգիստ |
|||||
|
Ընդհանուր |
||||||
|
Հզորություն |
DC 4.5 ~ 5.5V; CVBS. DC 4.5-20V |
|||||
|
Էլեկտրաէներգիայի սպառում |
≤0.7w@25 ©c |
≤0.7w@25 ©c |
≤0.55w@25 ©c |
|||
|
Աշխատանքային ջերմաստիճան |
- 40 ° C ~ 70 ° C |
|||||
|
Պահպանման ջերմաստիճանը |
- 40 ° C ~ 80 ° C |
|||||
|
Աշխատանքային խոնավություն |
≤95% RH (ոչ - խտացում) |
|||||
|
Շուռ |
6.06 գ պատահական, 3 - առանցքի, սինուսային ալիքի թրթռում |
|||||
|
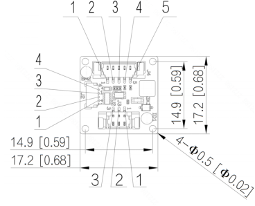
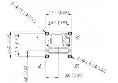
Չափում |
17.3 մմ * 17.3 մմ * 10.8 մմ (առանց ոսպնյակների spacer օղակի պոչի ափսե) |
|||||
|
Քաշ |
5 գ (առանց ոսպնյակների spacer օղակի պոչի ափսե) |
|||||




Թողեք ձեր հաղորդագրությունը

